Depth Research Report on VHDCI 50-Pin Connectors
I. Introduction: Evolution of High-Density Interconnection Technology
Against the backdrop of accelerated development of digitalization and intelligentization today, electronic devices have increasingly high requirements for connectors, especially in the fields of high-density and high-speed data transmission. As an industrial-grade connector specifically designed for high-density signal transmission, VHDCI (Very High Density Cable Interconnect) 50-pin connector integrates 50 pins within a limited physical space, providing a solution for multi-channel and high-rate data or signal transmission.
This report will conduct a comprehensive and in-depth study on the technical characteristics, application scenarios, development trends of 50 pin VHDCI connector, then provide comprehensive reference materials for engineers, purchasers and decision-makers in related fields.
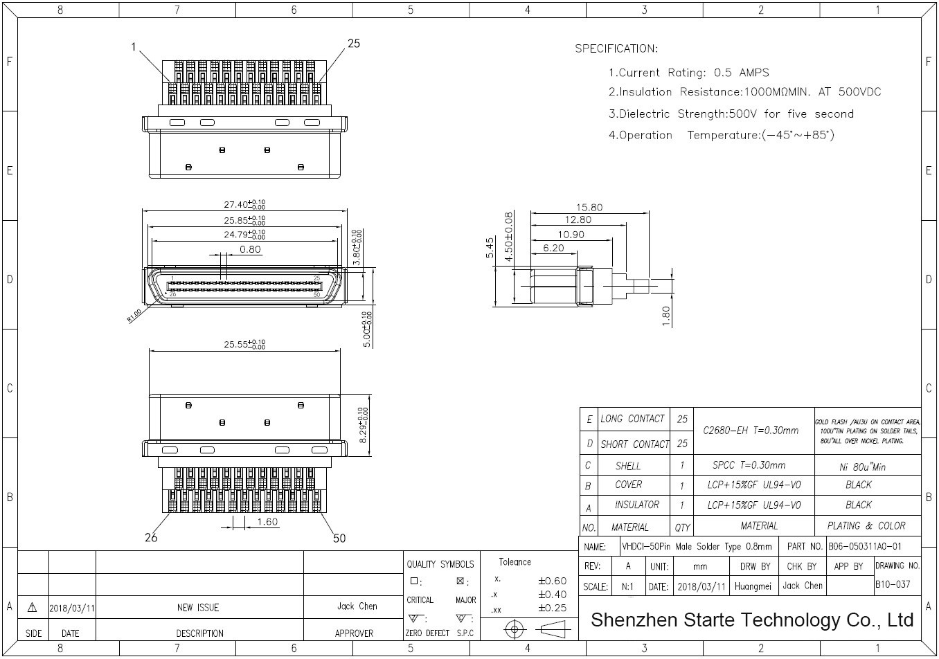
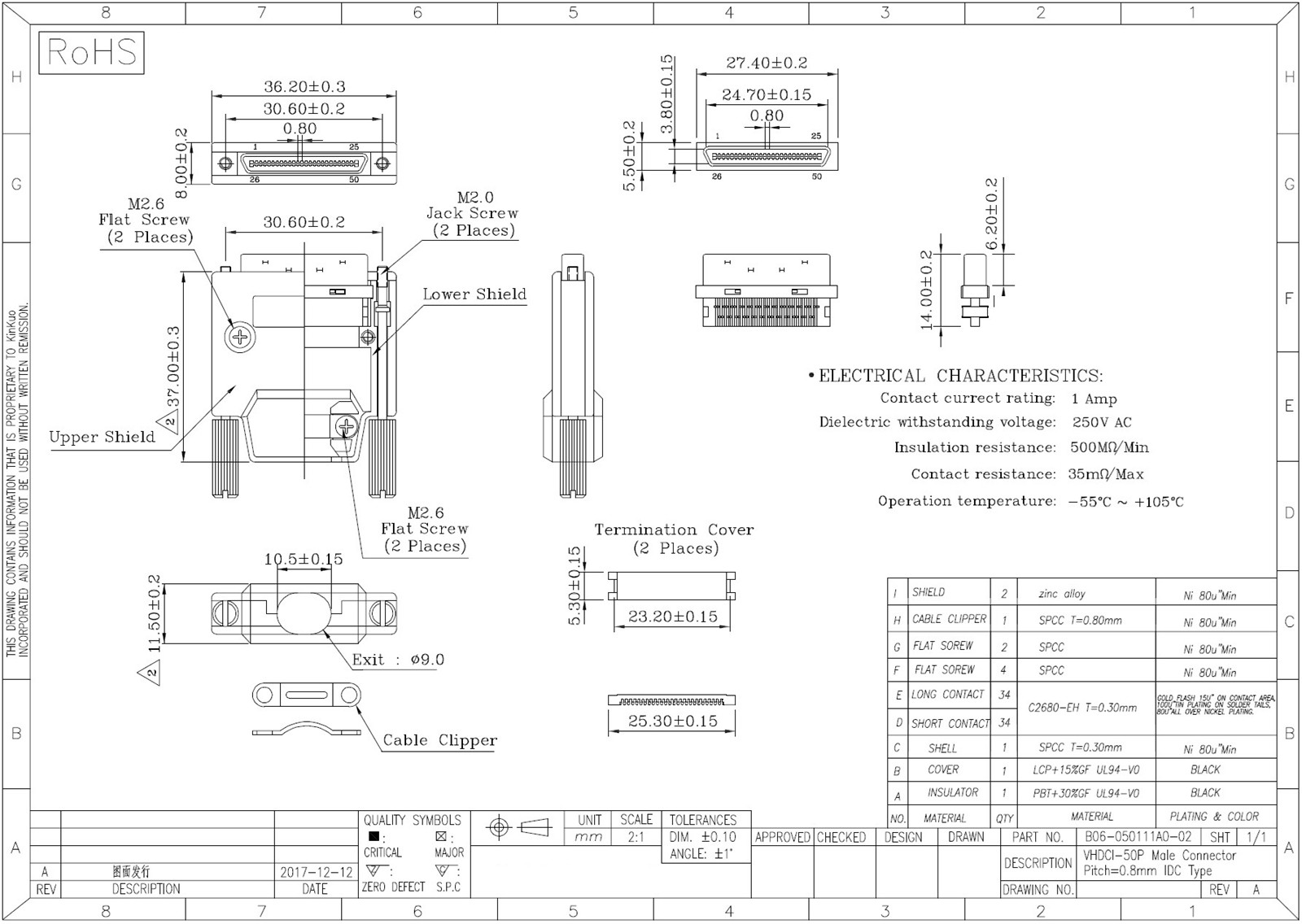
II. Technical Characteristics and Structural Analysis of the 0.80mm pitch 50 Pin VHDCI Connector



2.1 Physical Structure and Design Features of 0.80mm pitch VHDCI 50 pin Connectors:
1.Extremely small physical size: Standard VHDCI 50-pin connector housing width is approximately 12.7mm, while traditional DB-50 connector wideth is about 25.4mm. This enables double the connection density within the same space.
2.Precise pin pitch: Pin pitch of VHDCI 50-pin SCSI connector is only 0.80mm, which is much smaller than the 2.54mm pitch of traditional DB-series connectors, significantly enhancing the connection capacity per unit area.
3.Compact 50-pin layout: The 50 pins adopt a dual-row layout, with 25 pins in each row. The arrangement is dense yet orderly, making full use of the limited space. This layout allows the connector to maintain a small size while providing a large number of signal transmission channels.
4.Latching mechanical design: VHDCI 50-pin connectors usually adopt a latch-type or snap-type fixing design to ensure reliable connection under vibration or harsh environments and prevent accidental disconnection. Some industrial-grade models also use a screw-locking method to further improve connection stability.
5.Surface Mount Technology (SMT): Most 50 pin VHDCI SCSI connectors utilize Surface Mount Technology (SMT), which reduces package size and weight while providing better electromagnetic compatibility and reliability.
Here is solder type 50 pin VHDCI male connector drawing, which contains VHDCI 50 pin connector pins, VHDCI 50 pin connector size

III. Application Scenario Analysis of SCSI 50 Pin VHDCI Connectors
Field of Data Storage and Servers
01
Industrial Automation and Control Systems
02
Test & Measurement and Scientific Experiments
03
Computer Hardware and Communication Equipment
04
3.1 Applications in the Field of Data Storage and Servers
1.Connection between Servers and Storage Expansion Devices: 90 degree VHDCI 50-pin female connectors are often used to connect servers with storage expansion devices, such as hard disk arrays and tape drives, providing high-speed and stable data transmission channels. In data center environments, such 0.80mm pitch SCSI 50 Pin connectors can achieve high-density data connections within limited space.
2.SCSI Connection Solution: Right angle VHDCI 50-pin female connector is an ideal choice for the SCSI (Small Computer System Interface) interface. It supports high-speed data transmission and suitable for connecting SCSI hard disks, optical drives, and other storage devices. In the SCSI-3 standard, VHDCI 50-pin connector has become the preferred interface for connecting external storage devices.
3.RAID System Construction: In RAID (Redundant Array of Independent Disks) systems, VHDCI 50pin female 90 degree plug-in connector are used to connect multiple hard disk drives, enabling parallel data transmission and redundant storage.
4.Tape Backup Systems: In enterprise-level tape backup systems, VHDCI 50-pin 90 degree female connectors are used to connect tape drives and servers, ensuring fast backup and recovery of large-capacity data.
5.Storage Area Network (SAN) Connection: In SAN environments, 50 pin VHDCI female connectors are used to connect storage devices and servers, providing high-speed and reliable storage access. This type of application places high requirements on the bandwidth and stability of the connector.
3.2 Applications in Industrial Automation and Control Systems
1.Connection between PLCs and Distributed I/O Modules: VHDCI 50-pin connectors Cable are used to connect Programmable Logic Controllers (PLCs) with distributed I/O modules, enabling high-density signal transmission between control systems and on-site equipment.
2.Connection between Servo Drives and Encoders: In industrial automated production lines, VHDCI 50-pin male to male Cables are used to connect servo drives and encoders, transmitting control signals and feedback information to ensure the accuracy and stability of automated system operation.
3.Connection between Sensors and Actuators: VHDCI 50-pin solder type connectors can quickly transmit monitoring signals from multiple sensors to the controller, while accurately delivering control commands to the actuators.
4.Industrial Robot Systems: In industrial robot control systems, 50 pin VHDCI connector Cables are used to connect robot controllers with the drive systems of each joint, realizing high-speed and precise control signal transmission.
5.Industrial Automated Production Lines: In automated production lines, VHDCI 50-pin connectors are used to connect various automated equipment and control systems, enabling the coordinated operation of the entire production line.
3.3 Applications in Test & Measurement and Scientific Experiments
1.Oscilloscopes and Data Acquisition Systems: VHDCI 50-pin 90 degree angled female connectors are used to connect test and measurement instruments (such as oscilloscopes and Data Acquisition (DAQ) cards) to external sensors, meeting the demand for synchronous acquisition and analysis of multi-channel signals.
2.Automated Test Equipment (ATE): In automated test equipment, right angle 50 pin VHDCI connectors are used to connect test instruments to devices under test (DUT), enabling high-density, multi-channel signal connection and data transmission.
3.High-Energy Physics Experimental Equipment: In particle physics experiments: VHDCI 50-pin connectors are used to connect various detectors and data acquisition systems, realizing high-speed transmission and processing of massive amounts of data.
4.Medical Imaging Equipment: In the field of medical devices, VHDCI 50-pin connectors are used to connect various modules of medical imaging equipment (e.g., ultrasonic diagnostic instruments and MRI devices), enabling fast transmission of high-quality image data.
5.Aerospace Test Equipment: In the aerospace field, VHDCI 50-pin connectors are used to connect various test equipment and sensors, facilitating performance testing and data acquisition for aircraft and spacecraft.
3.4 Applications in Computer Hardware and Communication Equipment
1.High-End Computer Motherboard Connection: In high-end computers and workstations, VHDCI 50-pin connectors are used to connect motherboards to various expansion cards and peripherals, enabling high-speed data transmission. This application requires the connector to support high-speed bus protocols and a large number of I/O signals.
2.Internal Connection of Network Communication Equipment: Network communication devices such as routers and switches typically use VHDCI 50-pin board to board connectors for internal connections between boards within the device or between the device and external modules, facilitating high-density signal interconnection. These applications require the connector to support high-speed data transmission and high-density connections.
3.High-Speed Data Transmission Lines: VHDCI 50-pin connectors are used to connect high-speed data transmission lines, such as high-speed interfaces like PCI Express and USB 3.0, achieving a compact and efficient pin layout between components inside the computer system.
4.Video Signal Transmission: VHDCI 50-pin connectors can be used to transmit high-quality video signals, making them suitable for professional video equipment and broadcasting systems. This application requires the connector to support the transmission of high-bandwidth video signals.
5.Multi-Monitor Connection Solution: In professional graphics workstations that need to connect multiple monitors, VHDCI 50-pin connectors is used to realize the simultaneous connection and control of multiple monitors.
IV. Analysis of the Advantages and Disadvantages of VHDCI 50-Pin Connectors



4.1 Significant Advantages and Technological Breakthroughs
1.Extremely High-Density Integration: 0.80mm Pitch VHDCI 50-pin SCSI connector features a pin pitch of only 0.80mm and a standard housing width of approximately 12.7mm. It integrates 50 pins within a compact space, achieving extremely high signal density. This enables it to perform exceptionally well in space-constrained applications.
2.Excellent Transmission Performance: Pins of the VHDCI 50-pin connector adopt a gold-plating process, resulting in low contact resistance. Some high-frequency models can reach a signal bandwidth of up to 500MHz, which can meet the requirements of high-speed data transmission. Its good electromagnetic compatibility and anti-interference capability also ensure the quality of signal transmission.
3.Reliable Mechanical Connection: solder VHDCI 50-pin connectors usually adopt a latching design. Compared with some connectors without special locking structures, they are less likely to loosen during insertion and extraction, offer good shock resistance, and can adapt to harsh industrial environments or mobile devices with vibrations. This design ensures the connector's reliability during long-term use.
4.Easy Installation and Maintenance: Most VHDCI 50-pin connectors are installed using Surface Mount Technology (SMT). Compared with some connectors that require soldering, crimping, or the use of special tools for installation, they are much easier to install. At the same time, their modular design also facilitates later maintenance and upgrades.
5.Flexible Application Adaptability: The VHDCI 50-pin connector can adapt to a variety of different application scenarios and environmental conditions, ranging from industrial automation to medical equipment, and from data storage to test and measurement. It demonstrates excellent application flexibility.
6.Standardized Design: The VHDCI 50-pin connector complies with industry standards, featuring good compatibility and interchangeability, which facilitates system integration and equipment maintenance. This standardized design also reduces the complexity of procurement and inventory management.
4.2 Existing Limitations and Application Challenges
1.Complexity of Pin Definition: Since the VHDCI 50-pin connector supports the transmission of multiple functional signals, the pin definitions vary across different application scenarios. This requires users to have an in-depth understanding of pin definitions and perform precise operations during connection; otherwise, incorrect connection may easily lead to equipment failure. This complexity increases the difficulty of system design and integration.
2.Need for Specialized Cables: The VHDCI 50-pin connector must be used with specialized cables, and the impedance of the cables needs to match the signals being transmitted. This limits the range of cable options and results in relatively high costs. Such dependency increases the cost and complexity of system construction.
3.Restricted Applicable Scenarios: The VHDCI 50-pin connector is mainly suitable for specific fields that require high-density connections and high transmission rates. Unlike universal connectors such as USB and HDMI, it does not have an extremely wide range of applications. This limits its use in some general consumer electronics fields.
4.Relatively High Cost: The complex design and manufacturing process of the VHDCI 50-pin connector, combined with the special requirements for supporting cables, result in high costs for both the connector itself and the entire connection system. This limits its use in cost-sensitive applications to a certain extent.
5.Limitations on Environmental Adaptability: Ordinary commercial-grade VHDCI 50-pin connectors are usually only suitable for indoor normal-temperature environments (0℃~60℃), while "industrial-grade VHDCI connectors" (with an operating temperature range of -40℃~85℃ and IP65/IP67 protection rating) must be selected for industrial scenarios. This difference increases the complexity of model selection.
6.Lack of a Unified Standard: Although the VHDCI 50-pin connector complies with certain industry standards, in specific applications, different manufacturers may have different pin definitions and signal allocations. This increases the difficulty of system integration and the risk of incompatibility.
4.3 Comparative Analysis with Other Types of Connectors
To gain a more comprehensive understanding of the characteristics of the VHDCI 50-pin connector, a comparative analysis is conducted below between this connector and several common types of connectors:
Comparison with the DB50-pin connector

VHDCI 50-pin connector is significantly superior to the DB-50 connector in terms of physical dimensions and signal bandwidth, making it more suitable for modern high-speed and high-density application scenarios.
Comparison with Centronics 50 Connector:

Compared with Centronics 50 connector, VHDCI 50-pin connector is more suitable for high-speed and high-density data transmission applications.
Comparison with SCSI 50 Pin Connector:

VHDCI 50-pin connector places greater emphasis on high density and high-speed data transmission in its design, while traditional SCSI 50-pin connector is mainly designed for the SCSI protocol.
Comparison with Modern High-Speed Connectors:

Compared with modern high-speed connectors, the VHDCI 50-pin connector may be slightly inferior in terms of versatility and data transmission rate, but it has advantages in high-density connection and adaptability to industrial environments.
V. Technological Development and Future Trends of VHDCI 50-Pin Connectors
Development Trend of Higher Frequency and Higher Speed
Higher Data Transfer Rate
Wider Frequency Range
Signal Integrity Optimization
Differential Signal Transmission Technology
Multi-Channel Parallel Transmission
Development Trend of Intelligent Integration
Integration of Intelligent Components
System-Level Integration
Standardized Interfaces
Software-Defined Connectivity
Modular Design
Development Trend of Miniaturization and Higher Density
Further Size Reduction
Higher Pin Density
3D Stereoscopic Layout
Application of Flexible Substrates
Advanced Manufacturing Processes
Development Trend of Customization and Manufacturing Technology
In-depth Customization Services
Precision Manufacturing Technology
Automated Production Technology
Application of Additive Manufacturing
Smart Manufacturing Technolog
5.1 Development Trend of Higher Frequency and Higher Speed
As modern electronic systems have increasingly high requirements for data transmission speed, VHDCI 50-pin connectors are developing toward higher frequency and higher speed:

1.Higher Data Transmission Rate: In the future, VHDCI 50-pin connectors will support higher data transmission rates to meet the demand for high-speed data transmission from emerging technologies such as 5G, artificial intelligence (AI), and big data. By optimizing the connector structure, improving the transmission line design, and adopting high-performance materials, the transmission rate of VHDCI 50-pin connectors will be continuously enhanced.
2.Wider Frequency Range: VHDCI 50-pin connectors will support a wider frequency range to adapt to the future needs of high-frequency communication and signal processing. This will be achieved by improving the electromagnetic compatibility design and material selection of the connector.
3.Signal Integrity Optimization: Future VHDCI 50-pin connectors will place greater emphasis on signal integrity. By reducing signal attenuation and interference, the quality and reliability of signal transmission will be improved. This will involve the optimized design of the connector structure and the application of new materials.
4.Differential Signal Transmission Technology: VHDCI 50-pin connectors will further develop differential signal transmission technology to enhance anti-interference capabilities and signal transmission efficiency. As differential signal transmission has become the mainstream technology for modern high-speed data transmission, VHDCI 50-pin connectors will further optimize this technology.
5.Multi-Channel Parallel Transmission: Future VHDCI 50-pin connectors will support parallel transmission with more channels. By increasing the number of channels and optimizing the isolation between channels, the overall data transmission capacity will be improved.
5.2 Development Trend of Intelligent Integration
With the advancement of the Internet of Things (IoT) and Industry 4.0, VHDCI 50-pin connectors are developing toward intelligent integration:
1.Integration of Intelligent Components: In the future, VHDCI 50-pin connectors are expected to integrate intelligent components such as sensors and microprocessors, endowing them with functions like self-diagnosis and self-repair. This enables real-time monitoring of their own status, timely identification and resolution of issues, and thus enhances the reliability and stability of the system.
2.System-Level Integration: VHDCI 50-pin connectors will achieve deeper integration with other electronic components and systems to form more comprehensive solutions. This integration trend will improve system performance and reliability while reducing system complexity and cost.
3.Standardized Interfaces: To achieve better system integration, VHDCI 50-pin connectors will adopt more standardized interface designs, enhancing interoperability between products from different manufacturers. This will promote the development and innovation of the entire industry.
4.Software-Defined Connectivity: Future VHDCI 50-pin connectors will support software-defined connectivity functions. Different connection modes and functions can be realized through software configuration, improving the flexibility and adaptability of the connectors.
5.Modular Design: VHDCI 50-pin connectors will adopt more flexible modular designs, allowing the selection of different functional modules according to diverse application requirements to implement customized solutions.
5.3 Development Trend of Miniaturization and Higher Density
As electronic devices continue to develop toward being thinner, lighter, and smaller, VHDCI 50-pin connectors are also constantly pursuing higher density and smaller size:
1.Further Size Reduction: In the future, VHDCI 50-pin connectors may be further reduced in size to realize more functions within a smaller space. This also places higher requirements on the resistance between internal contacts, electromagnetic interference (EMI) resistance, and the overall design of the connector.
2.Higher Pin Density: VHDCI 50-pin connectors will continue to increase pin density. By reducing pin pitch and optimizing pin layout, more connection points will be provided in the same or smaller space. This will involve more precise manufacturing processes and more advanced materials.
3.3D Stereoscopic Layout: Future VHDCI 50-pin connectors may adopt a 3D stereoscopic layout design to further improve space utilization and connection density. This design will break through the limitations of traditional 2D planar layouts and achieve higher integration.
4.Application of Flexible Substrates: VHDCI 50-pin connectors will increasingly use flexible substrate materials to achieve more flexible connections and smaller bending radii, adapting to more complex application scenarios.
5.Advanced Manufacturing Processes: To achieve higher density and smaller size, VHDCI 50-pin connectors will adopt more advanced manufacturing processes, such as photolithography, etching, and 3D printing, to improve manufacturing precision and efficiency.
5.4 Development Trend of Customization and Manufacturing Technology
As industries increasingly refine the application scenarios for connectors, VHDCI 50-pin connectors are developing toward a higher degree of customization and precision manufacturing:
1.In-depth Customization Services: Manufacturers will participate more deeply in customers' early-stage design processes, and customize connector products with different specifications and functions according to customers' specific requirements for size, performance, environmental protection, and more. Such customization services will enhance customer satisfaction and product competitiveness.
2.Precision Manufacturing Technology: As VHDCI 50-pin connectors develop toward high voltage, high frequency, and high speed, higher requirements are placed on their precision manufacturing capabilities. In the future, more precise processing equipment and processes will be adopted to improve the manufacturing accuracy and consistency of connectors.
3.Automated Production Technology: The demand for standardized and mass-produced connectors from downstream enterprises is growing. In the future, more automated production technologies will be introduced into the manufacturing process of VHDCI 50-pin connectors to improve production efficiency and the stability of product quality.
4.Application of Additive Manufacturing: Additive manufacturing technologies such as 3D printing will be more widely used in the production of VHDCI 50-pin connectors, enabling rapid prototyping of complex structures and small-batch production.
5.Smart Manufacturing Technology: The future manufacturing of VHDCI 50-pin connectors will integrate more smart manufacturing technologies, such as the Internet of Things (IoT), big data analytics, and artificial intelligence (AI), to realize intelligent management and optimization of the production process.





